一、視頻實拍
二、產品簡介
LXSY-15W~50W、LXLCY-40W~600W系列NB-IoT無線遠傳水表是江北水表廠設計開發的基于NB-IoT窄帶蜂窩技術進行無線通信的低功耗智能遠程傳輸水表。該水表采用分體式設計,電子單元被安裝在一個獨立的全密封腔體內,保留了傳統濕式水表的結構特點,確保了計量精度和靈敏度不受影響。作為自動抄表系統的一部分,這款機電一體化的電子遠傳水表采用了微功耗設計和編碼校驗技術,具備高靈敏度、強抗干擾能力和遠距離傳輸的特點。
此類水表具有安全衛生和長壽命的優勢。可配備閥門控制功能,擁有智能預付費水表的優點。同時,可以通過無磁技術實現脈沖信號的輸出。配合智能抄表系統的軟件,能夠實現小區內水表數據的智能抄讀,并與結算中心聯網共享數據。
三、產品特點
1.采用旋翼式或螺翼可拆卸式結構設計,具備高精度計量性能,始動流量低,便于抄表操作,外觀設計美觀大方;
2.符合CJ/T 224-2012《電子遠傳水表》行業標準;
3.符合GB/T778-2018《飲用冷水水表和熱水水表》國家標準;
4.符合JG/T162-2017《民用建筑遠傳抄表系統》行業標準;
5.滿足電子產品在EMC(電磁兼容性)、ESD(靜電放電)和EMI(電磁干擾)方面的要求;
6.無線模塊與基表采用分體式安裝,具有良好的互換性,當水表檢定期限到達時,僅需更換基表部分即可;
7.電子單元安裝在獨立的全密封腔體內,防水等級達到IP68標準;
8.運用先進的數據編碼和校驗技術,提高了通訊的可靠性;
9. 水表可以直接與NB-IoT基站通信,無需配置額外的采集器或集中器等抄表設備;
10.與上級計算機系統集成,建立遠程自動抄表管理系統,實現抄表和監控的自動化;
11.數據周期性上報:可根據用戶的實際使用情況,通過NB-IoT平臺網絡設定小時、日、月的周期性數據上傳,上傳內容包括累計用水量、電池電量、水表狀態及報告周期;
12.機械讀數方便:保留原有的基表計數裝置,安裝NB無線模塊后,不會影響任何讀數功能;
13.信號穩定:通過NB-IoT基站聯網,并經由核心網絡與水表建立連接,確保信號穩定可靠;
14.無需布線,安裝施工非常便捷。
四、NB-IOT窄帶蜂窩技術優勢
1.功耗低;
2.深覆蓋20dB+增益(與2G相比多穿透一堵墻);
3.低成本,多鏈接(表直接上報數據至基站,無需中間設備轉換);
4.安全性(采用云平臺管理保障客戶數據的安全);
5.網絡可靠性(采用專用網絡保障網絡持續穩定運營);
6.重用現有蜂窩網絡(更快部署時間,更低成本);
7.全球統一標準&漫游。

五、技術參數
1.電子性能參數
| 項目 | 參數 |
| 頻段 | 800MHz、900MHz |
| 通訊模式 | 雙工 ,收發一體 |
| 輸出功率 | <23dBm |
| 接收靈敏度 | -136dBm |
| 發射電流 | <250mA |
| 接收電流 | <80mA |
| 休眠電流 | ≤4uA |
| 可視距離 | >20Km |
| 通信協議 | CoAP協議 |
| 模塊工作溫度 | -20℃~+70℃ |
| 電池型號及容量 | ER26500;8500mAh |
| 電池使用年限 | 1天上傳1次模式 :約6年 |
2.流量技術參數
| 型號 | 公稱口徑 | 量程比 | 過載流量 | 常用流量 | 分界流量 | 最小流量 | 最小讀數 | 最大讀數 |
| DN | Q?/Q? | Q? | Q? | Q? | Q? | |||
| mm | m3/h | m3 | ||||||
| LXSY-15W | 15 | R80 | 3.125 | 2.5 | 0.05 | 0.0313 | 0.00005 | 99999 |
| R100 | 0.04 | 0.025 | ||||||
| R125 | 0.032 | 0.02 | ||||||
| R160 | 0.025 | 0.0156 | ||||||
| LXSY-20W | 20 | R80 | 5 | 4 | 0.08 | 0.05 | 0.00005 | 99999 |
| R100 | 0.064 | 0.04 | ||||||
| R125 | 0.051 | 0.032 | ||||||
| R160 | 0.04 | 0.025 | ||||||
| LXSY-25W | 25 | R80 | 7.875 | 6.3 | 0.126 | 0.0788 | 0.00005 | 99999 |
| R100 | 0.101 | 0.063 | ||||||
| R125 | 0.081 | 0.0504 | ||||||
| R160 | 0.063 | 0.0394 | ||||||
| LXSY-32W | 32 | R80 | 12.5 | 10 | 0.2 | 0.125 | 0.00005 | 99999 |
| R100 | 0.16 | 0.1 | ||||||
| R125 | 0.128 | 0.08 | ||||||
| R160 | 0.1 | 0.0625 | ||||||
| LXSY-40W | 40 | R80 | 20 | 16 | 0.32 | 0.2 | 0.0005 | 99999 |
| R100 | 0.256 | 0.16 | ||||||
| R125 | 0.205 | 0.128 | ||||||
| R160 | 0.16 | 0.1 | ||||||
| LXSY-50W | 50 | R80 | 31.25 | 25 | 0.5 | 0.3125 | 0.0005 | 99999 |
| R100 | 0.4 | 0.25 | ||||||
| R125 | 0.32 | 0.2 | ||||||
| R160 | 0.25 | 0.1563 | ||||||
| 型號 | 公稱口徑 | 計量等級 | 過載流量 | 常用流量 | 分界流量 | 最小流量 | 最小讀數 | 最大讀數 |
| DN | Q? | Q? | Q? | Q? | ||||
| mm | m3/h | m3 | ||||||
| LXLCY-40W | 40 | B | 20 | 10 | 0.8 | 0.2 | 0.0002 | 999999 |
| LXLCY-50W | 50 | B | 30 | 15 | 3 | 0.45 | 0.0002 | 999999 |
| LXLCY-65W | 65 | B | 50 | 25 | 5 | 0.75 | 0.0002 | 999999 |
| LXLCY-80W | 80 | B | 80 | 40 | 8 | 1.2 | 0.002 | 999999 |
| LXLCY-100W | 100 | B | 120 | 60 | 12 | 1.8 | 0.002 | 999999 |
| LXLCY-125W | 125 | B | 200 | 100 | 20 | 3 | 0.002 | 999999 |
| LXLCY-150W | 150 | B | 300 | 150 | 30 | 4.5 | 0.002 | 999999 |
| LXLCY-200W | 200 | B | 500 | 250 | 50 | 7.5 | 0.002 | 999999 |
| LXLCY-250W | 250 | B | 800 | 400 | 80 | 12 | 0.002 | 999999 |
| LXLCY-300W | 300 | B | 1200 | 600 | 120 | 18 | 0.02 | 9999999 |
| LXLCY-350W | 350 | B | 1600 | 800 | 160 | 24 | 0.02 | 999999999 |
| LXLCY-400W | 400 | B | 2000 | 1000 | 200 | 30 | 0.02 | 999999999 |
| LXLCY-500W | 500 | B | 3000 | 1500 | 300 | 45 | 0.02 | 999999999 |
| LXLCY-600W | 600 | B | 6000 | 3000 | 600 | 90 | 0.02 | 999999999 |
▲ 過載流量(Q?)--要求水表在短時間內能符合最大允許誤差要求,隨后在額定工作條件下仍能保持計量特性的最大流量;
▲ 常用流量(Q?)--額定工作條件下的最大流量。在此流量下,水表應正常工作并符合最大允許誤差要求;
▲ 分界流量(Q?)--出現在常用流量Q?和最小流量Q?之間、將流量范圍劃分成各有特定最大允許誤差的“高區”和“低區”兩個區的流量;
▲ 最小流量(Q?)--要求水表的示值符合最大允許誤差的最低流量;
▲ 示值誤差:在水溫0.1℃至30℃范圍內,水表的最大允許誤差在高區(Q?≤Q≤Q?)為±2%,低區(Q?≤Q<Q?)為(±5%)。
3.工作環境: 水溫0.1~+45℃,濕度0~95%RH;
4.工作壓力:≤1.0 Mpa;
5.壓力損失:在額定工作條件下的最大壓力損失不超過0.063Mpa;
6.環境等級:B級(安裝在室內的固定式水表);
7.電磁環境:E1級(住宅、商業、和輕工業);
8.外殼防護等級:IP68。
六、全自動組網拓撲圖

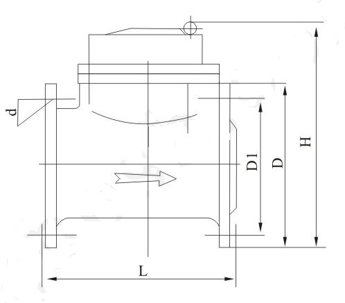
七、外形及規格尺寸

| 型號 | 公稱口徑 | 水平式 | 連接螺紋 | ||
| DN | 長L | 寬B | 高H | ||
| mm | mm | D | |||
| LXSY-15W | 15 | 165 | 90 | 150 | G?B |
| LXSY-20W | 20 | 195 | 90 | 152 | G1B |
| LXSY-25W | 25 | 225 | 104 | 175 | G1?B |
| LXSY-32W | 32 | 230 | 104 | 175 | G1?B |
| LXSY-40W | 40 | 245 | 125 | 210 | G2B |
| LXSY-50W | 50 | 280 | 125 | 230 | 法蘭連接 |

| 型號 | 公稱口徑 DN | 長L | 寬B | 高H | 連接螺紋 | ||
| mm | mm | 法蘭外徑 D | 螺栓孔中心圓直徑 D1 | 連接螺栓 | |||
| LXLCY-40W | 40 | 200 | 256 | 400 | 165 | 125 | 4xM16 |
| LXLCY-50W | 50 | 200 | 256 | 400 | 185 | 145 | 4xM16 |
| LXLCY-65W | 65 | 225 | 276 | 400 | 200 | 160 | 8xM16 |
| LXLCY-80W | 80 | 250 | 286 | 400 | 220 | 180 | 8xM16 |
| LXLCY-100W | 100 | 250 | 301 | 400 | 250 | 210 | 8xM16 |
| LXLCY-125W | 125 | 300 | 346 | 500 | 285 | 240 | 8xM20 |
| LXLCY-150W | 150 | 350 | 373 | 500 | 340 | 295 | 8xM20 |
| LXLCY-200W | 200 | 450 | 493 | 730 | 395 | 350 | 12xM20 |
| LXLCY-250W | 250 | 500 | 516 | 730 | 445 | 400 | 12xM20 |
| LXLCY-300W | 300 | 500 | 560 | 730 | 520 | 470 | 12xM21 |
| LXLCY-350W | 350 | 600 | 631 | 830 | 565 | 515 | 16xM24 |
| LXLCY-400W | 400 | 800 | 785 | 930 | 715 | 650 | 20xM30 |
| LXLCY-500W | 500 | 1000 | 865 | 1030 | 840 | 770 | 20xM33 |
| LXLCY-600W | 600 | 1000 | 865 | 1030 | 840 | 770 | 20xM33 |
| 序號 | 對比項目 | 光電直讀遠傳水表 | NB-IoT無線遠傳水表 |
| 1 | 一次抄讀成功率 | >99% | >98% |
| 2 | 機電轉換方式 | 光電直讀式 | 光電直讀式或脈沖實時式 |
| 3 | 機電轉換誤差 | ≤1m3 | ≤1m3或≤1個最小轉換分度值 |
| 4 | 供電方式 | 總線供電(直流電) | 鋰電池供電(DC3.6V;8500mAh) |
| 5 | 電源使用時間 | 通過集中器供電,無限制 | 1天上傳1次模式;約6年 |
| 6 | 靜態電流 | <1mA | ≤4uA |
| 7 | 發射電流 | / | <250mA |
| 8 | 接收電流 | / | <80mA |
| 9 | 抄表瞬間電流 | <12mA | / |
| 10 | 組網方式 | 較復雜,下行通訊通過有線方式把數據傳到集中器,上行通訊通過GPRS無線方式把集中器的數據傳輸到服務器。 | 簡單,水表直接通過NB-IOT無線方式傳輸數據到服務器。 |
| 11 | 組網需配置設備 | 采集器和GPRS集中器 | 無設備 |
| 12 | 通訊距離或覆蓋距離 | 下行通訊約300米;上行無限制。 | 城區約1~8km,郊區約25km; |
| 13 | 系統投用周期 | 較長,水表安裝好后,需要現場施工布線、接線、調試。 | 短,水表安裝好后,即可遠程調試。 |
| 14 | 軟件是否需要初始化 | 需要初始化。把用戶的房號與水表表號一一對應輸入抄表軟件。 | 需要初始化。把用戶的房號與水表表號一一對應輸入抄表軟件。 |
| 15 | 水表是否需要通信費 | 水表不需要,只是GPRS集中器需要。 | 每只水表都有一個NB物聯網卡,需要通訊費,出廠時已預交6年的通訊費,到期需要續費。 |
| 16 | 環境等級 | B級 | B級 |
| 17 | 電磁環境 | E1級 | E1級 |
| 18 | 外殼防護等級 | IP68 | IP68 |
| 19 | 水表價格 | 較低 | 較高 |